Home
About Us
Overview Enterprise
Related Units
Honor
Events
Party Building Work
Scientific Research
Research Platform
Tech Features
Professor Q&A
Video Center
Product Center
Veterinary vaccines
In vitro diagnostic reagents
Chinese Herbal Medicine
and Pharmaceuticals
Additive
News
Enterprise News
Media Coverage
Social Responsibility
Public Benefit Activities
Environmental Protection Publicity
Recruitment
Contact Us
CN
Social Responsibility
Home
>
Social Responsibility
>
Environmental Protection Publicity
Public Benefit Activities
Environmental Protection Publicity
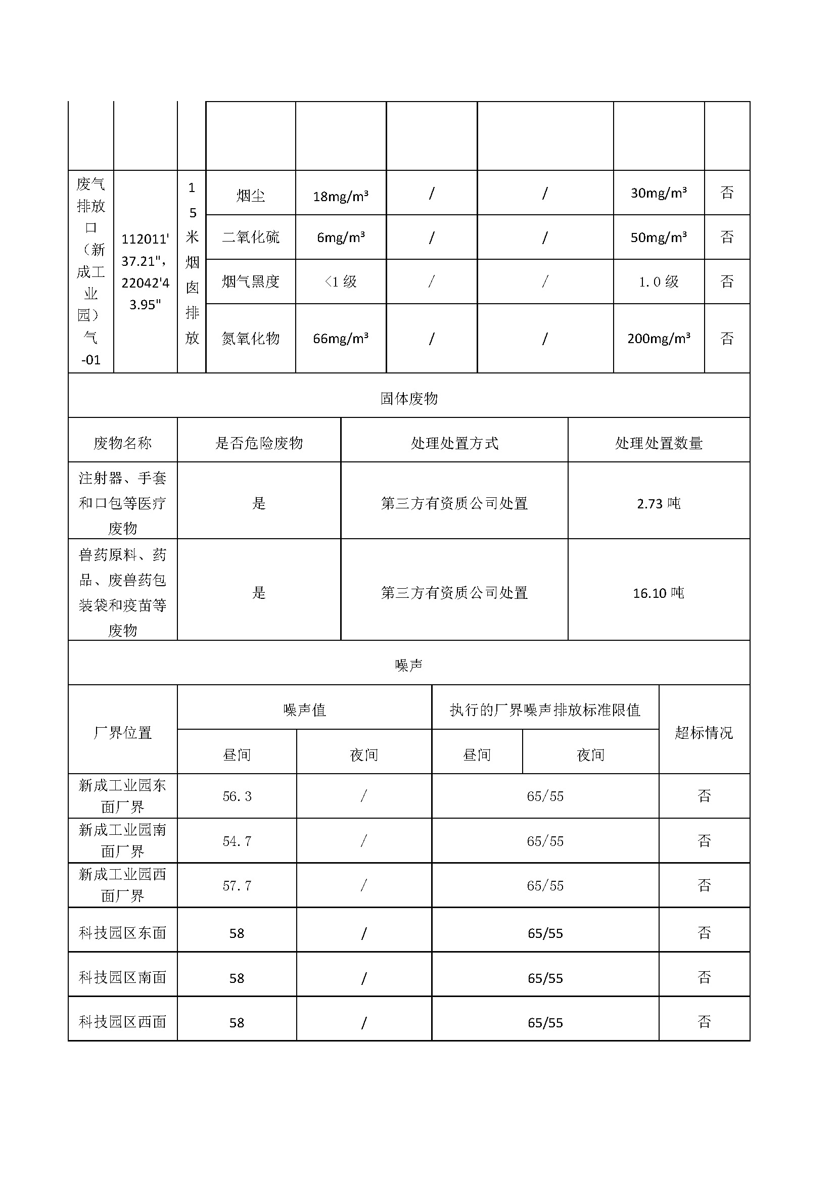
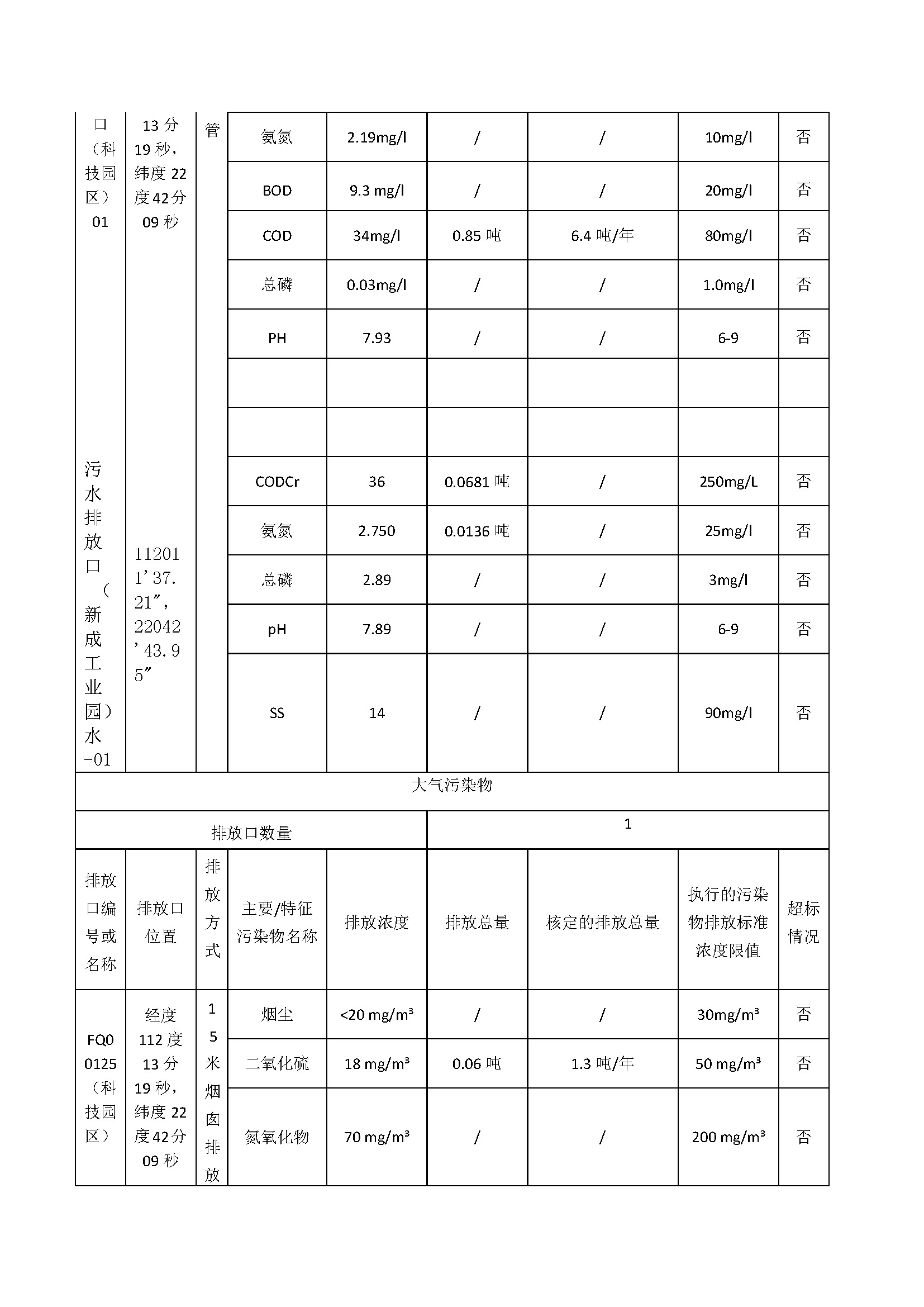
Environmental Information of Guangdong Wenshi Dahua Nong Biotechnology Co., Ltd
2019-08-03
Return to List
Feedback
*
Name:
*
Contact Information:
*
Message Content: